Bộ chuyển đổi tín hiệu DAT 10018 dùng để chuyển đổi tín hiệu từ cảm biến nhiệt và điện áp thành tín hiệu mong muốn qua việc chia tỷ lệ đo lường. Tín hiệu được truyền đi thông qua giao thức RS 485, khoảng cách truyền có thể lên đến 1.2km. Bộ chuyển đổi tín hiệu DAT 10018 cung cấp đến 8 đầu vào giúp việc chuyển đổi tín hiệu một cách linh hoạt và ổn định trong môi trường khắc nghiệt như nhà máy, khu công nghiệp,…

NỘI DUNG CHÍNH
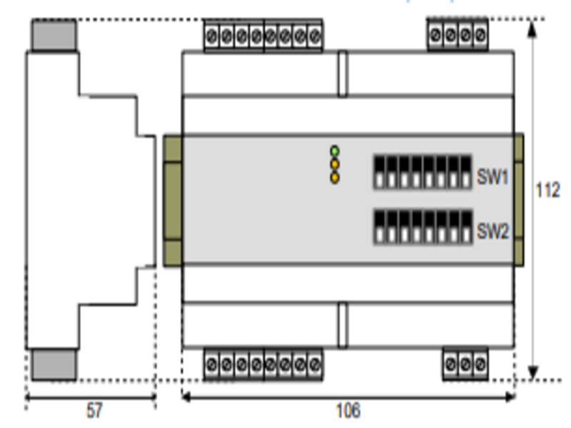
Mô tả về bộ chuyển đổi tín hiệu DAT 10018
Bộ chuyển đổi tín hiệu DAT 10018 chuyển đổi tối đa 8 tín hiệu đầu vào tương tự sang các đơn vị kỹ thuật ở định dạng số. Dữ liệu được truyền qua giao thức MODBUS RTU / MODBUS ASCII qua mạng RS-485.
Có thể kết nối 8 tín hiệu điện áp đầu vào lên đến ± 250 mV hoặc cảm biến nhiệt điện loại B, E, K, J, N, R, S, T. Bằng cách lập trình, có thể thực hiện việc chia tỷ lệ đo lường đầu vào lên đến ± 32768 điểm, thu được giá trị đo lường của kênh theo định dạng mong muốn trong các thanh ghi chuyên dụng.
Thiết bị đảm bảo độ chính xác cao và phép đo ổn định theo thời gian và nhiệt độ.
Để đảm bảo an toàn cho nhà máy, thiết bị được trang bị cảnh báo hẹn giờ Watch-Dog.
Việc cách ly giữa các bộ phận của mạch giúp loại bỏ các hiệu ứng vòng lặp tiếp đất, cho phép sử dụng thiết bị ngay cả trong điều kiện môi trường khắc nghiệt.
Bộ chuyển đổi tín hiệu DAT 10018 được đặt trong hộp nhựa thô tự dập lửa DIN 6 mô-đun để lắp trên thanh ray DIN tiêu chuẩn EN-50022.


Thông số kĩ thuật bộ chuyển đổi tín hiệu DAT 10018
Kiểu thanh: Din
Cách ly: Có
Tính năng: 8 mV, Cặp nhiệt điện
Phần mềm cấu hình: MODBUS 3000-10000
Giao tiếp: Modbus ASCII RS485, Modbus RTU RS485
Số lượng đầu vào Analog: 8
Kiểu đầu vào Analog: mV, Cặp nhiệt điện


Hướng dẫn lắp đặt bộ chuyển đổi tín hiệu DAT 10018
Bộ chuyển đổi tín hiệu DAT 10018 phù hợp để lắp đặt trên thanh ray DIN ở vị trí thẳng đứng.
Khi lắp đặt các thiết bị cạnh nhau, có thể cần phải cách nhau ít nhất 5 mm trong các trường hợp sau:
Nếu nhiệt độ bảng điều khiển vượt quá 45°C và điện áp nguồn 10 Vdc.
Đảm bảo cung cấp đủ luồng không khí cho thiết bị, tránh đặt rãnh thoát nước hoặc các vật thể khác có thể cản trở các khe thông gió.
Ngoài ra, nên tránh lắp đặt thiết bị phía trên các thiết bị sinh nhiệt; vị trí lý tưởng của chúng nên là ở phần dưới của bảng điều khiển.
Lắp đặt thiết bị ở nơi không có rung động.
Ngoài ra, nên tránh đi dây dẫn gần cáp tín hiệu nguồn (động cơ, lò nướng cảm ứng, biến tần, v.v.) và sử dụng cáp có vỏ bọc để kết nối tín hiệu.


Tìm mua bộ chuyển đổi tín hiệu DAT 10018 ở đâu?
Chúng tôi tự hào là đơn vị cung cấp bộ chuyển đổi tín hiệu DAT 10018 chính hãng Datexel. Là đơn vị có kinh nghiệm lâu năm nhập hàng từ Châu Âu, sẽ đảm bảo tốt hơn về chất lượng cũng như xuất xứ nguồn gốc của sản phẩm. Ngoài ra các vấn đề về kỹ thuật, lắp đặt sẽ được tư vấn rõ ràng hơn rất nhiều. Công ty Âu Mỹ chính là đơn vị mà quý khách hàng đang cần tìm.
Nếu quý khách hàng có nhu cầu sử dụng bộ chuyển đổi tín hiệu DAT 10018 hãy liên hệ với chúng tôi ngay:
Mr Nam 0984882991
Ms Hạnh 0934811476