Bộ chuyển đổi tín hiệu DAT 10019 cung cấp 8 ngõ vào dành cho nhiệt điện trở RTD và biến trở loại 2 dây. Thiết bị chuyển đổi những tín hiệu thu được thành dữ liệu có thể truyền đi bằng Modbus loại RS 485, bộ chuyển đổi tín hiệu DAT 10019 được tích hợp thêm phần mềm giúp khả năng tuỳ biến dữ liệu trở nên dễ dàng hơn khi kết nối với máy tính hoặc PLC. Bộ chuyển đổi tín hiệu DAT 10019 có tất cả các ưu điểm của các sản phẩm trước đó như khả năng lọc nhiễu, chống tác động từ môi trường bên ngoài, cách ly điện tốt,…

NỘI DUNG CHÍNH
Tổng quan về bộ chuyển đổi tín hiệu DAT 10019
Bộ chuyển đổi tín hiệu DAT10019 chuyển đổi tối đa 8 tín hiệu đầu vào tương tự thành các đơn vị kỹ thuật ở định dạng kỹ thuật số. Dữ liệu được truyền tải với giao thức MODBUS RTU /MODBUS ASCII qua mạng RS-485.
Đầu vào bộ chuyển đổi tín hiệu DAT10019 có thể kết nối 8 cảm biến RTD hoặc cảm biến điện trở 2 dây. Thiết bị đảm bảo độ chính xác cao và đo lường ổn định theo thời gian và nhiệt độ. Để đảm bảo an toàn cho nhà máy, bộ hẹn giờ Watch-Dog được trang bị cảnh báo.
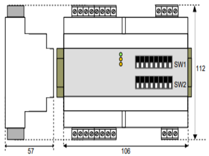
Việc cách ly giữa các bộ phận của mạch giúp bộ chuyển đổi tín hiệu DAT10019 loại bỏ các hiệu ứng vòng lặp tiếp đất, cho phép sử dụng thiết bị ngay cả trong điều kiện môi trường khắc nghiệt.Thiết bị được đặt trong hộp nhựa DIN 6 module chống cháy, lắp trên ray DIN tiêu chuẩn EN-50022.


Thông số kĩ thuật bộ chuyển đổi tín hiệu DAT10019
Loại thanh: DIN
Cách ly: có
Tính năng: 8 RTD 2 dây – điện trở 2 dây
Phần mềm cấu hình: MODBUS 3000-10000
Giao tiếp: Modbus ASCII RS485, Modbus RTU RS485
Số lương đầu vào Analog: 8
Loại Đầu vào Analog: Điện trở, RTD (PT100, PT1K, NI100, NI1K)


Những lưu ý khi sử dụng bộ chuyển đổi tín hiệu DAT 10019
Bộ chuyển đổi tín hiệu DAT 10019 có thể cấu hình thiết bị ở hai chế độ: bằng các công tắc DIP nằm ở mặt trước của thiết bị hoặc thông qua phần mềm sử dụng chế độ INIT.
Kết nối chân INIT với chân REF; khi bật nguồn, thiết bị sẽ tự động được thiết lập trong phần thiết lập cấu hình.
Kết nối nguồn điện, bus nối tiếp và đầu vào analog như được hiển thị trong phần “Đấu dây”.
Trạng thái đèn LED phụ thuộc vào tình trạng hoạt động của thiết bị: xem phần “Tín hiệu đèn” để kiểm tra trạng thái hoạt động của thiết bị.
Để thực hiện các thao tác cấu hình và hiệu chuẩn, hãy đọc hướng dẫn trong Hướng dẫn Sử dụng của thiết bị.
Để đơn giản hóa việc xử lý hoặc thay thế thiết bị, có thể tháo các chân kết nối có dây ngay cả khi thiết bị đang được cấp nguồn.


Tìm mua bộ chuyển đổi tín hiệu DAT 10019 ở đâu?
Công ty Âu Mỹ là đơn vị chuyên nhập hàng từ Châu Âu luôn hỗ trợ quý khách mua sản phẩm bộ chuyển đổi tín hiệu DAT 10019 chính hãng Datexel. Chúng tôi cam kết về chất lượng sản phẩm, nguồn gốc xuất xứ cũng như giá cả hợp lý, các vấn đề về kỹ thuật, lắp đặt sẽ được tư vấn rõ ràng.
Nếu quý khách hàng có nhu cầu sử dụng bộ chuyển đổi tín hiệu DAT 10019 hãy liên hệ với chúng tôi ngay:
Mr Nam 0984882991
Ms Hạnh 0934811476
