Bộ chuyển đổi tín hiệu nhiệt độ 15RS là thiết bị có cách ly 2 cổng đầu vào và đầu ra, thuộc series 15-rack. Đây là sản phẩm được sản xuất và phát triển tại Nhật Bản, mang độ bền cao và hiệu suất hoạt động hiệu quả.

NỘI DUNG CHÍNH
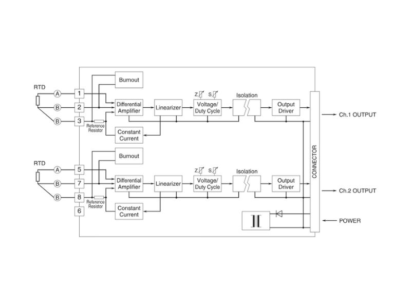
Chức năng & Tính năng của Bộ chuyển đổi tín hiệu nhiệt độ 15RS:
- Chấp nhận đầu vào trực tiếp từ RTD và cung cấp tín hiệu quy trình tiêu chuẩn
- Tuyến tính hóa
- Bảo vệ kiệt sức
- 2 kênh có sẵn; hoàn thành việc xử lý nhiều đầu vào tiết kiệm và tiết kiệm không gian
Ứng dụng điển hình
- Chuyển đổi thành tín hiệu tiêu chuẩn
- Sử dụng nhiều trong nhà máy điện


Mô tả chung của Bộ chuyển đổi tín hiệu nhiệt độ 15RS:
[1] ĐẦU VÀO RTD (2 hoặc 3 dây)
- 1: JPt 100 (JIS’89) (Phạm vi sử dụng: -200 đến +500°C, -328 đến +932°F; nhịp tối thiểu: 30°C, 54°F)
- 3: Pt 100 (JIS’89) (Phạm vi sử dụng: -200 đến +650°C, -328 đến +1202°F; nhịp tối thiểu: 30°C, 54°F)
- 4: Pt 100 (JIS’97, IEC) (Phạm vi sử dụng: -200 đến +650°C, -328 đến +1202°F; nhịp tối thiểu: 30°C, 54°F)
- 5: Pt 50 Ω (JIS’81) (Phạm vi sử dụng: -200 đến +500°C, -328 đến +932°F; nhịp tối thiểu: 60°C, 108°F)
- 6: Ni 508,4 Ω (Phạm vi sử dụng: -50 đến +200°C, -58 đến +392°F; nhịp tối thiểu: 20°C, 36°F)
- 0: Chỉ định Lưu ý: Tham khảo ý kiến của chúng tôi về RTD 2 dây
[2] ĐẦU RA
Voltage
- 6: 1 – 5 V DC (Trở kháng tải tối thiểu 5000 Ω)
[3] ĐẦU RA 2
- 0: Không có
- Voltage
- 6: 1 – 5 V DC (Trở kháng tải tối thiểu 5000 Ω)
ĐIỆN ĐẦU VÀO
- Nguồn DC
- R: 24 V DC
- (Dải điện áp hoạt động 24 V ±10 %, độ gợn tối đa 10 % trang/p.)


Đặc điểm kỹ thuật chung của Bộ chuyển đổi tín hiệu nhiệt độ 15RS:
- Lắp đặt: Gắn trên giá đỡ; truy cập thiết bị đầu cuối thông qua các thiết bị đầu cuối vít ở phía trước và qua đầu nối cạnh thẻ ở phía sau; vỏ thiết bị đầu cuối được cung cấp
- Kết nối
- đầu vào: Thiết bị đầu cuối vít M3.5 (mô-men xoắn 0,8 N·m)
- đầu ra: Đầu nối cạnh thẻ
- Đầu vào nguồn: Được cung cấp từ đầu nối cạnh thẻ
- Thiết bị đầu cuối vít: Thép mạ niken
- Vật liệu vỏ: Nhựa chống cháy (màu đen)
- Sự cách ly: Đầu vào thành đầu ra hoặc nguồn; đầu vào ch.1 đến đầu vào ch.2
- Đầu ra quá mức: Xấp xỉ. -10 đến +120 %
- Điều chỉnh bằng không: -5 đến +5 % (phía trước)
- Điều chỉnh nhịp: 95 đến 105 % (trên cùng)
- Lúc kiệt sức: Tỷ lệ thấp hơn ≤ -10 %, Tỷ lệ cao hơn ≥ 110 %
- Tuyến tính hóa: Tiêu chuẩn
Thông số đầu vào của Bộ chuyển đổi tín hiệu nhiệt độ 15RS:
- Điện trở dây dẫn tối đa: 20 Ω mỗi dây (3 dây)
- Cảm biến hiện tại: 2 mA (Pt)


Cài đặt của Bộ chuyển đổi tín hiệu nhiệt độ 15RS:
- Mức tiêu thụ hiện tại: Xấp xỉ. 30 mA
- Nhiệt độ hoạt động: -5 đến +55°C (23 đến 131°F)
- Độ ẩm hoạt động: 30 đến 90 %RH (không ngưng tụ)
- Gắn: Giá tiêu chuẩn 15BX
- Trọng lượng: 180 g (0,40 lb)
Hiệu suất của Bộ chuyển đổi tín hiệu nhiệt độ 15RS:
- Sự chính xác: ±0,2 %
- Nhiệt độ. hệ số: ±0,015 %/°C (±0,008 %/°F)
- Thời gian đáp ứng: ≤ 0,5 giây. (0 – 90%)
- Phản ứng kiệt sức: 10 giây.
- Hiệu ứng điện áp đường dây: ±0,2 % trên dải điện áp
- Điện trở cách điện: ≥ 100 MΩ với 500 V DC
- Độ bền điện môi: 500 V AC @ 1 phút
- (đầu vào thành đầu ra hoặc nguồn)
- 500 V AC @ 1 phút (đầu vào kênh 1 đến kênh 2)
- 500 V AC @ 1 phút (đầu ra nối đất)


Để biết thêm thông tin chi tiết về Bộ chuyển đổi tín hiệu nhiệt độ 15RS, hãy liên hệ Ms Hanh 0934811476
Tham khảo thêm sản phẩm khác tại đây:
