Bộ chuyển đổi tín hiệu nhiệt độ TM3. Nhiệm vụ chính của dòng TM3 là sẽ nhận các tín hiệu nhiệt độ như: J, K, R, S, T, E,… để chuyển sang tín hiệu analog. Vừa là cầu nối để PLC, bộ điều khiển có thể nhận được cảm biến nhiệt. Vừa đảm nhận nhiệm vụ đưa tín hiệu nhiệt độ đi xa hơn, và ít bị ảnh hưởng nhất. Các ưu điểm vượt trội của bộ TM3, sẽ được chúng ta tìm hiểu qua bài viết này.

NỘI DUNG CHÍNH
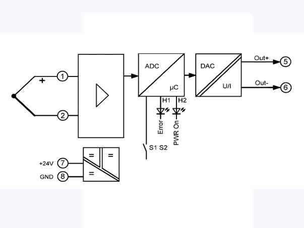
Sơ lược thông tin về bộ chuyển đổi tín hiệu nhiệt độ TM3:
Từ các nhà máy sản xuất, hệ thống lò hơi, đến ngành thực phẩm hay hóa chất, nhiệt độ luôn là yếu tố quyết định chất lượng. Điều này cho thấy rằng nhu cầu khách hàng sử dụng đến nhiệt độ luôn rất cao. Chính vì vậy, các thiết bị chuyển đổi tín hiệu nhiệt độ như TM3 ngày càng được ứng dụng rộng rãi. Và các bộ chuyển đổi nhiệt độ cũng yêu cầu cao về độ chính xác.
Bộ chuyển đổi tín hiệu nhiệt độ TM3, sẽ hoạt động dựa trên nguyên lý, tiếp nhận tín hiệu đầu vào từ cảm biến nhiệt độ, và chuyển đổi sang dạng tín hiệu analog tuyến tính. Khi tín hiệu nhiệt độ đã được chuyển sang tín hiệu analog, thì sẽ dễ dàng hơn cho việc điều khiển, do đa phần các bộ điều khiển, PLC, hệ thống HVAC,… đều có thể nhận được tín hiệu analog. Nên việc kết hợp vận hành sẽ đơn giản hơn.


Các thông số kỹ thuật cơ bản của bộ chuyển đổi tín hiệu nhiệt độ TM3:
- Tín hiệu đầu vào: J, K, R, S, T, E, B, N
- Phạm vi đo có thể cấu hình -210…+1820°C
- Tín hiệu đầu ra: 0-20mA, 4-20mA, 0-10V, 2-10V
- Sai số tuyến tính: < 0,2%
- Sai số điểm nối lạnh: tối đa 3K (điển hình 2K)
- Độ chính xác đo: < 0,1% trên toàn dải đo
- Độ chính xác đo của dải đo: ((150K / dải đo [K]) + 0,1)% của dải đo
- Nhiệt độ hoạt động: 0…50°C
- Nhiệt độ bảo quản: -25…+85°C, không được để ngưng tụ trước khi đưa vào sử dụng
- Điện áp thử nghiệm: 1,5kVAC / 50Hz / 60 giây
- Có thể cấu hình đầu ra dòng điện hoặc điện áp
- Giám sát cảm biến
- Nguồn cấp 24VDC
- Có thể gắn trên thanh ray nắp 35mm TS35
- Nhãn đầu nối rõ ràng
- Kích thước 6,2mm
- Độ tin cậy cao, bảo hành 5 năm


Các ưu điểm và ứng dụng của bộ chuyển đổi tín hiệu nhiệt độ TM3:
Các ưu điểm của bộ chuyển đổi tín hiệu nhiệt độ TM3:
- Độ chính xác cao: TM3 đảm bảo tín hiệu đầu ra tuyến tính và chính xác, giúp hệ thống điều khiển hoạt động ổn định, giảm sai số trong quá trình sản xuất.
- Khả năng chống nhiễu tốt: Với thiết kế cách ly tín hiệu, TM3 giúp giảm thiểu nhiễu điện từ, đặc biệt trong môi trường công nghiệp có nhiều thiết bị điện công suất lớn.
- Thiết kế nhỏ gọn, dễ lắp đặt: gắn DIN rail tiện lợi, tiết kiệm không gian tủ điện, dễ bảo trì và thay thế, tiết kiệm chi phí
- So với việc sử dụng hệ thống đo lường phức tạp, TM3 giúp giảm chi phí đầu tư nhưng vẫn đảm bảo hiệu quả.
Các ứng dụng của bộ chuyển đổi tín hiệu nhiệt độ TM3:
- Ngành lò hơi và nhiệt điện: đo nhiệt độ nước, hơi. Kiểm soát nhiệt độ buồng đốt, bảo vệ thiết bị khỏi quá nhiệt
- Ngành thực phẩm: giám sát nhiệt độ trong quá trình chế biến, đảm bảo tiêu chuẩn an toàn thực phẩm, ứng dụng trong hệ thống sấy, nấu
- Ngành hóa chất: đo nhiệt độ phản ứng, kiểm soát quá trình sản xuất, đảm bảo độ ổn định của sản phẩm.
- Ngành sản xuất nhựa: điều khiển nhiệt độ máy ép nhựa, giữ ổn định chất lượng sản phẩm
- Hệ thống HVAC: kiểm soát nhiệt độ phòng, ứng dụng trong tòa nhà, nhà máy.


Khi cần sử dụng bộ chuyển đổi tín hiệu nhiệt độ TM3, cho các ứng dụng điều khiển nhiệt độ, quý khách hàng có thể liên hệ ngay với chúng tôi. Công Ty Âu Mỹ, đơn vị chuyên nhập khẩu các thiết bị điện công nghiệp đến từ Đức.
