0909 006 435

Bộ khuếch đại cách ly tín hiệu lưỡng cực TV3

Bộ khuếch đại cách ly tín hiệu lưỡng cực TV3. Trong công nghiệp việc xử lý tín hiệu nhiễu, và bảo vệ thiết bị đầu cuối là ưu tiên hàng đầu. Và riêng với dạng tín hiệu lưỡng cực, việc này càng trở nên quan trọng hơn rất nhiều. Do đa phần các tín hiệu dạng lưỡng cực, sẽ dùng cho việc đo lường. Chính vì vậy mà việc sử dụng bộ TV3 vào hệ thống, luôn là quyết định sáng suốt nhất của khách hàng hiện nay.

Bộ khuếch đại cách ly tín hiệu lưỡng cực TV3
Bộ khuếch đại cách ly tín hiệu lưỡng cực TV3

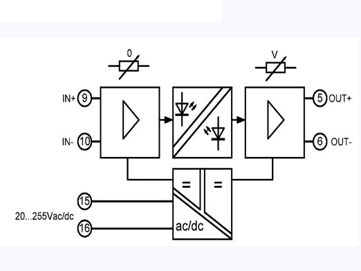
Sơ lược thông tin về bộ khuếch đại cách ly tín hiệu lưỡng cực TV3:

Dòng sản phẩm TV3 vẫn là dòng sản phẩm đến từ hãng LEG. Nhưng được nâng cấp rất nhiều, với nguồn cấp đa năng, mức cách ly cao hơn, thiết kế thì vẫn giữ được chất riêng của hãng. Điều hãng đang muốn mang đến cho khách hàng nhiều nhất, chính là những sản phẩm ngày càng tốt hơn. Các thay đổi được hãng đưa ra để phù hợp với những yêu cầu cao hơn, từ những ứng dụng thực tế của khách hàng.

Khi sử dụng các tín hiệu lưỡng cực, các điều chỉnh để đảm bảo chính xác hơn với thực tế là rất cần thiết. Nên dòng sản phẩm TV3, cũng vẫn trang vị thêm các biến trở Zero/Span, để phụ vụ tốt yêu cầu này. Khi có sự góp mặt của dòng sản phẩm TV3, thì các kết quả nhận được, luôn được đảm bảo về độ chính xác, do mức sai số của sản phẩm chỉ là 0,05%.

Bộ khuếch đại cách ly tín hiệu lưỡng cực TV3
Bộ khuếch đại cách ly tín hiệu lưỡng cực TV3

Các ưu điểm và ứng dụng của bộ khuếch đại cách ly tín hiệu lưỡng cực TV3:

Các ưu điểm của bộ khuếch đại cách ly tín hiệu lưỡng cực TV3:

  • Chống nhiễu rất tốt và ổn định: khi các thiết bị trong hệ thống được nối đất ở các vị trí khác nhau, sự chênh lệch điện thế có thể tạo ra dòng điện không mong muốn, gây sai lệch tín hiệu analog. TV3 triệt tiêu hoàn toàn vấn đề này.
  • Đa năng về nguồn cấp: mức nguồn 20…253VAC/DC sẽ giúp cho việc thiết kế hệ thống, lắp đặt, vận hành trở nên đơn giản hơn rất nhiều. Và cũng có thể dùng được cho nhiều quốc gia khác nhau trên toàn thế giới.
  • Bảo vệ thiết bị điều khiển đắt tiền: các bộ điều khiển như PLC, DCS thường rất nhạy cảm. TV3 đóng vai trò như một “bức tường lửa”, ngăn chặn các xung điện cao áp từ phía cảm biến xâm nhập và phá hủy cổng vào của PLC.
  • Mức sai số cực thấp: điều này có thể cho thấy được mức độ chính xác của sản phẩm gần như là tuyệt đối. Với các ứng dụng đo lường thì đây sẽ là lợi thế rất lớn của sản phẩm.
  • Chuyển đổi tín hiệu linh hoạt: TV3 cho phép chuyển đổi từ các mức tín hiệu không chuẩn hoặc tín hiệu lưỡng cực sang các chuẩn công nghiệp phổ biến như 4-20mA hoặc 0-10V.

Các ứng dụng của bộ khuếch đại cách ly tín hiệu lưỡng cực TV3:

  • Năng lượng điện đo lường dòng điện/điện áp xoay chiều qua biến dòng.
  • Tự động hóa kết nối cảm biến vị trí (LVDT) có tín hiệu lưỡng cực về PLC.
  • Xử lý nước thải cách ly tín hiệu từ các cảm biến pH, điện dẫn trong môi trường nhiễu cao.
  • Sản xuất thép giám sát các động cơ lớn nơi có nhiễu tần số cao từ biến tần.
  • Trong các hệ thống tàu biển với các ứng dụng đểu điều khiển về bánh lái của tàu biển.
Bộ khuếch đại cách ly tín hiệu lưỡng cực TV3
Bộ khuếch đại cách ly tín hiệu lưỡng cực TV3

Các thông số kỹ thuật cơ bản của bộ khuếch đại cách ly tín hiệu lưỡng cực TV3:

  • Tín hiệu đầu vào: 0…±10V, 0…±20mA, 0…±5V, 0…±60mV, 4-20mA,…
  • Tín hiệu đầu ra: 0…±10V, 0…±20mA, 0…±5V, 0…±60mV, 2-10V,…
  • Nguồn cấp: 20…253VAC/DC
  • Điện áp đầu ra: 0…10V / tối đa 20mA
  • Dòng điện đầu ra: 0(4)…20mA / điện trở tải tối đa 500Ω
  • Sai số điện trở tải: < 0,05%
  • Sóng gợn: < 10mV
  • Điểm 0: Có thể điều chỉnh ±20%, tùy chọn
  • Độ khuếch đại: Có thể điều chỉnh ±50%, tùy chọn
  • Tần số truyền: Chuẩn 25Hz / tùy chọn 2,5kHz / 5 kHz
  • Sai số tuyến tính: < 0,05%
  • Điện áp thử nghiệm: 2,5kVAC / 50Hz / 60 giây
  • Kích thước tổng thể 22,5×114,5×104,5mm (bao gồm cả đầu nối)
  • Vật liệu: PA / V0
  • Cấp bảo vệ: IP20
  • Kết nối: Đầu nối kiểu vít M3, 0, 14 – 2,5mm², có thể uốn cong hoặc không uốn cong
  • Lắp đặt: Gắn nhanh vào thanh ray tiêu chuẩn TS35
  • Trọng lượng: 122g
Bộ khuếch đại cách ly tín hiệu lưỡng cực TV3
Bộ khuếch đại cách ly tín hiệu lưỡng cực TV3

Khi quý khách hàng cần sử dụng bộ khuếch đại cách ly tín hiệu lưỡng cực TV3, hãy liên hệ ngay với chúng tôi:

Mr Nam 0984882991

Ms Hạnh 0934811476.

Để lại một bình luận

Email của bạn sẽ không được hiển thị công khai. Các trường bắt buộc được đánh dấu *