Bộ module I/O số DAT 10130 là một thiết bị I/O số được thiết kế cho tự động hóa công nghiệp, cho phép tích hợp các tín hiệu số vào các hệ thống điều khiển như PLC, SCADA qua mạng Modbus RTU. Thiết bị này chuyên dùng cho các cảm biến tiệm cận, cảm biến quang hoặc những cảm biến khác dùng loại NPN hoặc PNP. Quý khách đang cần một giải pháp mở rộng và quản lý I/O (Input/Output) đáng tin cậy cho hệ thống tự động hóa của mình? Bộ module I/O số DAT 10130 từ nhà sản xuất uy tín Datexel sẽ là giải pháp cho vấn đề của quý khách.

NỘI DUNG CHÍNH
Giới thiệu chung về bộ module I/O số DAT 10130
Bộ module I/O số DAT 10130 có thể tiếp nhận tối đa 8 đầu vào kỹ thuật số với kết nối NPN hoặc PNP và điều khiển tối đa 4 đầu ra rơle, trong đó có 2 đầu ra định dạng SPDT và
2 đầu ra định dạng SPST. Dữ liệu được truyền qua giao thức MODBUS RTU / MODBUS ASCII qua mạng RS-485.
Để đảm bảo an toàn cho nhà máy, bộ hẹn giờ Watch-Dog được trang bị cảnh báo.
Việc cách ly giữa các bộ phận của mạch giúp loại bỏ các hiệu ứng vòng lặp tiếp địa, cho phép sử dụng thiết bị ngay cả trong điều kiện môi trường khắc nghiệt.
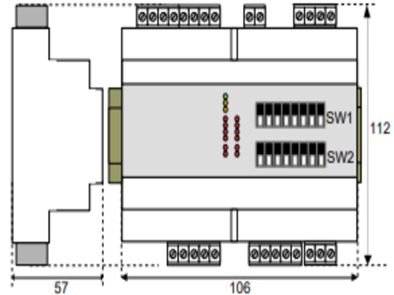
Thiết bị được đặt trong hộp nhựa DIN 6 module chống cháy, lắp trên ray DIN tiêu chuẩn EN-50022.


Thông số kĩ thuật bộ module I/O số DAT 10130
Loại Container: Module Din Rail
Cách ly: Có
Tính năng: 8 đầu vào kỹ thuật số, 4 đầu ra rơ le
Phần mềm cấu hình: MODBUS 3000-10000
Giao tiếp: Modbus ASCII RS485, Modbus RTU RS485
Số lượng đầu vào kỹ thuật số: 8
Loại đầu vào kỹ thuật số: NPN, PNP
Số lượng đầu ra kỹ thuật số: 4
Loại đầu ra kỹ thuật số: Rơ le


Ứng dụng của bộ module I/O số DAT 10130
Bộ module I/O số DAT 10130 của Datexel không chỉ là một mô-đun I/O Modbus RTU tiêu chuẩn, mà còn là giải pháp đa năng giúp tối ưu hóa hệ thống tự động hóa. Với sự kết hợp mạnh mẽ của 8 ngõ vào số (Digital Inputs) và 4 ngõ ra rơ-le (Relay Outputs), giúp thiết bị này có mặt trong nhiều lĩnh vực công nghiệp.
Bộ module I/O số DAT 10130 đóng vai trò quan trọng trong việc thu thập dữ liệu trạng thái của các cảm biến. Các dữ liệu khi được thu nhận sẽ truyền dữ liệu về PLC qua Modbus RTU với độ trễ thấp.
Khả năng điều khiển 4 rơ-le làm cho Bộ module I/O số DAT 10130 trở thành một bộ điều khiển cục bộ hiệu quả, trong các tủ điện phân tán, thiết bị được dùng để điều khiển rơ-le trung gian, khởi động các động cơ nhỏ, van điện từ hoặc các thiết bị chấp hành khác, giảm thiểu việc phải kéo dây I/O trực tiếp về PLC trung tâm.
Trong các hệ thống lớn, bộ module I/O số DAT 10130 là giải pháp kinh tế để mở rộng điểm I/O mà không cần nâng cấp toàn bộ PLC. Nó hoạt động như một điểm giao tiếp I/O từ xa, truyền dữ liệu qua RS-485, đảm bảo tính ổn định và khả năng chống nhiễu cao nhờ tính năng cách ly ba chiều.


Tìm mua bộ module I/O số DAT 10130 ở đâu?
Bộ module I/O số DAT 10130 là giải pháp lý tưởng cho việc mở rộng và hiện đại hoá hệ thống điều khiển. Chúng tôi tự hào là đơn vị cung cấp bộ module I/O số DAT 10130 chính hãng Datexel. Là đơn vị có kinh nghiệm lâu năm nhập hàng từ Châu Âu, sẽ đảm bảo tốt hơn về chất lượng cũng như xuất xứ nguồn gốc của sản phẩm. Ngoài ra các vấn đề về kỹ thuật, lắp đặt sẽ được tư vấn rõ ràng hơn rất nhiều. Công ty Âu Mỹ chính là đơn vị mà quý khách hàng đang cần tìm.


Nếu quý khách hàng có nhu cầu sử dụng bộ module I/O số DAT 10130 hãy liên hệ với chúng tôi ngay:
Mr Nam 0984882991
Ms Hạnh 0934811476
Bộ chuyển đổi tín hiệu DAT 10019
Bộ chuyển đổi tín hiệu DAT 10018 [/su_box]
