Bộ chuyển đổi tín hiệu FW5, đến từ thương hiệu LEG (Đức), nổi lên như một giải pháp hàng đầu nhờ độ tin cậy cao, và tiêu chuẩn kỹ thuật khắt khe của Châu Âu. Được thiết kế để đáp ứng các tiêu chuẩn công nghiệp nặng, đảm bảo khả năng chống nhiễu và độ bền vượt trội trong môi trường khắc nghiệt. Những tính toán từ thiết kế đến các thông số kỹ thuật, đều được hãng kiểm tra rất kỹ lưỡng, để luôn mang lại những sản phẩm toàn diện nhất đến khách hàng.

NỘI DUNG CHÍNH
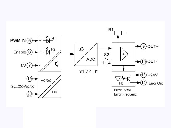
Sơ lược thông tin về bộ chuyển đổi tín hiệu FW5:
Có thể hiện tại sẽ có khá nhiều dòng sản phẩm có cùng tính năng, nhận tần số PWM 20Hz to 2 kHz và chuyển sang tín hiệu analog. Nhưng với xuất xứ từ Đức, và các thông số kỹ thuật được kiểm chứng rõ ràng. Thì sự ưu tiên chọn lựa khách hàng vẫn sẽ nghiêng nhiều về bộ FW5. Do xuất xứ sản phẩm từ Đức, và từ hãng LEG đã có quá nhiều kinh nghiệm, cho lĩnh vực sản xuất các bộ chuyển đổi.
Bộ FW5 sẽ là sự đầu tư xứng đáng, cho bất kỳ hệ thống tự động hóa nào yêu cầu sự chuyên nghiệp và ổn định lâu dài. Sản phẩm sẽ có phần khác biệt khá lớn, so với đại đa số sản phẩm khác. Do được thiết kế dày hơn, nên tất cả phần điều chỉnh đều được chuyển về mặt trước, để khi đã lắp đặt trên DIN rail, chúng ta vẫn có thể tùy chỉnh khi cần. Đây được xem là điểm cộng cho các sản phẩm đến từ hãng LEG.


Các ưu điểm và ứng dụng cụ thể của bộ chuyển đổi tín hiệu FW5:
Các ưu điểm của bộ chuyển đổi tín hiệu FW5:
- Độ chính xác và ổn định cao: được dán nhãn “Made in Germany”, FW5 đảm bảo sai số cực thấp. Điều này cực kỳ quan trọng, trong các ngành đòi hỏi độ chính xác tuyệt đối như thực phẩm, dược phẩm và xử lý nước thải.
- Khả năng cách ly chống nhiễu tuyệt vời: trong môi trường công nghiệp có nhiều biến tần và động cơ lớn, đây là điều đáng lo ngại nhất của các thiết bị điều khiển. FW5 đóng vai trò như một bộ lọc và rào cản, giúp tín hiệu truyền về trung tâm luôn sạch và chính xác.
- Thiết kế bền bỉ, dễ lắp đặt: với thiết kế vỏ nhựa cao cấp chống cháy và các chân cắm tiện lợi. Việc bảo trì và thay thế bộ FW5 trở nên nhanh chóng, giảm thiểu thời gian dừng máy.
- Độ tin cậy lâu dài: Tuổi thọ linh kiện (MTBF) của hãng LEG cực cao, thường hoạt động ổn định trên 10 năm.
Các ứng dụng của bộ chuyển đổi tín hiệu FW5:
- Ngành xử lý nước và nước thải: Chuyển đổi và cách ly tín hiệu từ các cảm biến đo pH, độ dẫn điện (Conductivity), Clo dư, hay lưu lượng điện từ.
- Ngành Năng lượng và Lò hơi (Boiler): Kết nối tín hiệu từ các bộ truyền đổi nhiệt độ (Temperature Transmitters) hoặc áp suất hơi về hệ thống SCADA.
- Công nghiệp Sản xuất Thép và Xi măng: Truyền tín hiệu điều khiển tốc độ (0-10V hoặc 4-20mA) từ PLC đến các biến tần điều khiển băng tải, quạt hút hoặc lò nung.
- Ngành Thực phẩm và Dược phẩm (F&B): Chuyển đổi tín hiệu từ các cảm biến trọng lượng (Loadcell) thông qua bộ khuếch đại hoặc các cảm biến đo mức bồn chứa nguyên liệu.


Các thông số kỹ thuật cơ bản của bộ chuyển đổi tín hiệu FW5:
- Sai số tuyến tính < 0,2%
- Tần số đầu vào PWM từ 20Hz đến 2kHz
- Giới hạn PWM có thể điều chỉnh
- Điện áp/dòng điện đầu ra có thể chuyển đổi
- Hiển thị trạng thái tần số đầu vào
- Giám sát giới hạn/tần số PWM
- Nguồn cấp 20…253Vuc
- Có thể lắp đặt trên thanh ray nắp 35mm TS35
- Nhãn đầu nối rõ ràng
- Thiết kế nhỏ gọn
- Kích thước 22,5mm
Khi cần sử dụng bộ chuyển đổi tín hiệu FW5, quý khách hàng có thể liên hệ ngay với chúng tôi, để luôn có được mức giá hợp lý nhất.
